芯城品牌采购网 > 品牌资讯 > 全部资讯

降压变换器功耗以及如何提高效率-芯城品牌采购网

本文将探讨在设计降压(buck或step-down)变换器时哪些参数最重要,以及如何将其与可用的最佳电感配对。我们还将学习如何计算基本参数,并解释开关模式电源IC和电感的一些参数要求,包括纹波电流、电感(L)、饱和电流(ISAT)和额定电流(IR)。当今电子行业近10年来,消费者越来越期望技术使他们的生活更轻松。与此同时,普通家庭的电子产品数量也在增加。不断增多的连接和电子设备选择意味着这些设备必

芯城品牌采购网

7933

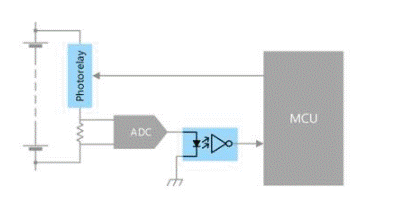
光耦合器输入驱动电路的LED电流分流技术-芯城品牌采购网

本文档重点介绍光耦合器,包括其基本原理,操作和常见应用。为了最大程度地提高设备效率,建议使用一些技术。还讨论了将LED用作输入的情况以及用于所述拓扑的相应处理技术。简介光耦合器是光源和光敏检测器的组合。在光耦合器或光子耦合对中,耦合是通过在透明绝缘间隙的一侧生成光,并在间隙的另一侧检测到光而实现的,而两侧之间没有电连接(少量的光耦合器除外)耦合电容)。在飞兆半导体的光耦合器中,光是由红外发光二极管

芯城品牌采购网

11826

场效应管的工作原理是什么场效应管的特点-芯城品牌采购网

场效应管是利用控制输入回路的电场效应来控制输出回路电流的一种半导体器件,由于它仅靠半导体中的多数载流子导电,又称单极型晶体管。场效应管具有输入电阻高、噪声小、功耗低、动态范围大、易于集成、没有二次击穿现象、安全工作区域宽等优点。场效应管的工作原理是什么?场效应管的特点有哪些?场效应管的工作原理是什么场效应管的特点场效应管的工作原理是什么场效应管的工作原理是什么场效应管工作原理用一句话说,就是“漏极

芯城品牌采购网

9003

这一文来说说什么是磁传感器芯片?最常用的磁传感器芯片类型及应用-芯城品牌采购网

1.什么是磁传感器半导体芯片?磁传感器半导体芯片通常是指将磁场的大小和变化转换成电信号。磁场,以地球磁场(地磁)或磁石为例的磁场是我们熟悉但不可见的现象。将不可见的磁场转化为电信号,以及转化为可见效应的磁传感器一直以来都是研究的主题。从几十年前使用电磁感应效应的传感器,到如今涉及磁场电效应、磁阻效应、约瑟夫森效应和其他物理现象的应用。2.典型磁传感器及其应用现在,利用各种物理效应的传感器已经商业化

芯城品牌采购网

10254

2月15日,北京烁科中科信宣布本年度首台大束流离子注入机在国内某知名集成电路产线movein。离子注入机是集成电路制造前工序中的关键设备。北京烁科中科信称,本台设备是大束流离子注入机工程化最新成果的集中体现,在原有设备性能的基础上,优化了多项机台核心参数,综合WPH已实现与国际先进机台对标。据了解,北京烁科中科信电子装备有限公司成立于2019年6月17日,公司源于中国电科第48研究所,是国内唯一一

芯城品牌采购网

7300

SMT贴片中回流焊主要工艺参数的控制方法-芯城品牌采购网

回流焊SMT是将电子元器件焊接到PCB板上,回流焊是用于表面SMD贴装器件。回流焊是利用热气流对焊点的作用,使凝胶状助焊剂在一定的高温气流作用下发生物理反应,实现SMD焊接。之所以称之为“回流焊”,是因为气体在焊机内循环产生高温,以达到焊接的目的。回流焊的主要工艺参数是传热、链速控制和风速风量控制。接下来,我将和大家分享回流焊主要工艺参数的控制方法。1.回流焊热传递的控制。回流焊热风输送目前很多产

芯城品牌采购网

10864

电容电阻在电源输入口串联的特殊用处-芯城品牌采购网

我们经常使用电容和电阻,我们也比较熟悉单个电子元器件的使用。你会用电阻和电容吗?。今天,我就和大家一起简单了解几个电阻电容使用的例子。。1.个电阻器串联电容器。这类应用在电源输入口很常见,如下图1所示。串联电容器一般是陶瓷电容器,小电阻串联在一起,以限制通电瞬间流过电感Le的电流,从而也抑制了A点的电流。。当然,这种连接方法也可以用一个ESR比较大的单个电解电容器来代替。电阻和电容的串联连接也可以

芯城品牌采购网

9793

ClientSSD在过去两年作为推动全球NANDFlash需求位元成长的要角,TrendForce集邦咨询预估,2022年ClientSSD在笔电的渗透率达92%,2023年约96%。但随着疫情宅经济效应退场,加上总体经济不佳导致消费性电子需求急冻,未来ClientSSD将是需求放缓最明显的产品,连带使整体NANDFlash需求位元成长受限,估2022~2025年的年增率均低于30%。容量方面,2

芯城品牌采购网

10882

目标4000亿的广东,再添重量级半导体公司-芯城品牌采购网

近日,广东紫粤半导体有限公司(下称“紫粤半导体”)正式成立,法定代表人王和生,注册资本1亿人民币。天眼查app显示,该公司经营范围含集成电路芯片设计及服务,集成电路芯片及产品制造等。紫光集团对紫粤半导体持股80%。股东信息显示,其余20%股份由广州湾区半导体产业集团有限公司持有。股权穿透后可看到,广州湾区半导体产业集团背后出资人包括广州经济技术开发区管理委员会、广东省财政厅等。据知情人士透露,在广

芯城品牌采购网

7291

金泰克速虎TP3500SE硬盘获太平洋甄选性能小钢炮称号!-芯城品牌采购网

2022年末,PConline资深编辑携手业界专家和平台用户共同进行上千款潮玩好物点评,为DIY玩家们整理硬核高性能硬件配件榜单。金泰克速虎TP3500SE固态硬盘从上千款产品中脱颖而出,获得PConline2022智臻科技奖SSD品类《V选百强好物》奖项——甄选性能小钢炮称号!(太平洋2022智臻科技奖)太平洋电脑网根据产品热度、电商数据等维度挑选上千款产品进入2022智臻科技奖的评选中,经过线

芯城品牌采购网

6842

SK海力士将在CES2023以高效率、高性能存储器吸引全球科技公司-芯城品牌采购网

·以“绿色数字解决方案”为主题,介绍主力/新内存阵容·展示超高性能企业SSD,强化服务器用存储器市场领先企业地位·“提出解决客户痛点的方案”2022年12月27日,SK海力士今日表示,公司将参与明年1月5日至8日在美国拉斯维加斯举行的世界最大的电子、IT展示会——“CES2023”,展示主力存储器产品和新的产品阵容。SK海力士强调:“在此次CES上,公司同步SK集团的‘无碳未来’方向,决定将大幅减

芯城品牌采购网

10894

近日,苏州工业园区集成电路产业投资发展有限公司、集成电路产业园、集成电路产业基金揭牌。其中,集成电路产业基金包括一只天使种子基金、一只成长基金,总规模50亿元,重点孵化引导产业落地及支持产业链上各成长期项目,支持企业做大做强。集成电路产业是电子信息产业的重要组成部分,是苏州起步较早、重点发展的产业之一。目前,苏州已经形成了芯片设计、晶圆制造、封装测试为核心,设备、材料、软件为支撑的完整的产业链条,

芯城品牌采购网

8512

功率运算放大器如何挑选,APEX微技术完全兼容“M/883”等级产品-芯城品牌采购网

三十余年来,国防和航空航天领域工作的行业客户一直依赖APEXMicrotechnology功率运算放大器、开关(PWM)放大器和精密电压基准来满足操作环境的严苛需求。APEX产品提供商业/工业级产品,部分型号同时提供非兼容的“M”级(高可靠性)或完全兼容“M/883”等级产品。APEX产品按照具体工作温度范围分为四级:商业级、工业级、非兼容“M”级和“M/883”兼容军用级。根据应用,如果工作环境

芯城品牌采购网

9129

据“中国建筑”消息,近日,一批重点项目封顶。其中,涉及存储领域的项目包括湖南长沙同有科技存储系统及SSD研发智能制造基地项目。该项目是国家网络安全产业园区(长沙)重点项目,由中建五局承建,位于湖南省长沙市高新区,总建筑面积约8.5万平方米,建设内容包含高层生产厂房、员工宿舍楼、地下车库及其他附属设施等。项目采用百米高层大跨度(25.2米)盒式结构,建成后将成为国内一流的自主可控存储系统及闪存SSD

芯城品牌采购网

10812

魏少军最新报告全文:中国IC设计企业达3243家,全行业销售预计5345.7亿元-芯城品牌采购网

12月26日,中国半导体行业协会集成电路设计分会理事长魏少军教授在“中国集成电路设计业2022年会暨厦门集成电路产业创新发展高峰论坛(ICCAD2022)”上作了题为《以持续创新赢得美好未来》的主旨报告。魏少军教授分别从芯片设计企业数量、设计产业销售情况、主要区域发展情况、设计企业人员情况、以及产品领域分布等方面介绍了2022年中国设计业总体发展情况。以下为报告全文:

芯城品牌采购网

10164

据株洲经开区消息,12月23日,2022全国工业APP和信息消费大赛颁奖典礼暨“新生产·新消费·新经济”产业峰会及系列活动在株洲举行。其中,株洲北斗产业园签约6个项目,总投资额15.38亿元,涉及航天科技卫星、北斗芯片研发及规模应用、无人机规模化生产、科普展示体验中心等领域,将进一步完善株洲北斗产业链布局。武汉大学北斗三号高精度融合芯片研发及应用产业化项目,总投资2亿元,依托武汉大学国家卫星定位系

芯城品牌采购网

7321

据天眼查信息,近日,浙江晶诚新材料有限公司(以下简称“晶诚新材料”)成立,法定代表人为毛全林,注册资本1000万元人民币,经营范围包含电子专用材料制造;非金属矿物制品制造;半导体器件专用设备制造;新材料技术研发;石墨及碳素制品制造;石墨及碳素制品销售;新材料技术推广服务;电子专用材料研发;电子专用材料销售。股东信息显示,晶诚新材料的大股东为浙江晶盛机电股份有限公司。后者是专注于“先进材料、先进装备

芯城品牌采购网

8112

定了!台积电3纳米下周量产-芯城品牌采购网

12月25日,据台媒报道,台积电总裁魏哲家此前预告“3纳米今年内在台湾地区量产”的承诺即将兑现。12月23日,台积电发出活动邀请,12月29日将在南科举办3纳米量产暨扩厂典礼。此前,魏哲家在法说会上提到,3纳米进度符合预期,具备良好良率并将在第四季度量产,在高速运算和智能手机应用驱动下,客户对3纳米需求超过产能。此外,魏哲家承诺2纳米工艺2025年量产时会是“最领先的技术”。台积电多次预告今年内在

芯城品牌采购网

8714

库存去化尚未结束,IC设计明年Q1营收恐再探底-芯城品牌采购网

此前据全球市场研究机构TrendForce集邦咨询12月15日研究显示,2022年第三季全球前十大IC设计业者营收达373.8亿美元,环比减少5.3%,全球IC设计产业营收动能下滑。TrendForce集邦咨询表示,IC设计业者受产品组合规划不同,如数据中心、网络、物联网、汽车等产品组合需求稳定,但消费电子、面板、挖矿等需求走弱,终端拉货力道缩手影响,营收互有增减。然而,面对低迷的市况,第三季半数

芯城品牌采购网

8928

据三角发布消息,2022年12月30日,中山芯承半导体有限公司(以下简称“芯承半导体”)首台设备——垂直连续电镀线(图形填孔,用于MSAP制程里的图形填孔电镀)完成吊装,标志着公司投产正式进入倒计时阶段。2021年,芯承半导体高密度倒装芯片封装基板项目落地三角镇,该项目总投资30亿元,分两期进行,其中一期投资约10亿元,计划于2023年上半年完成一条FCCSP基板产线建设并投产。芯承半导体将利用项

芯城品牌采购网

8450

12月23日,万业企业发布公告称,公司拟以自有资金4亿元人民币认购上海半导体装备材料产业投资基金二期(筹)(暂定名,以工商注册名称为准,以下简称“基金”)的份额。该基金总规模拟为20.2亿元人民币,拟由上海半导体装备材料产业投资管理有限公司(以下简称“半导体管理公司”)发起设立,募集规模预计达到15亿元人民币,即可首次募集完成,其余资金预计在2023年6月30日前完成后续募集。目前,主要的意向投资

芯城品牌采购网

8666

据荆州经开区消息称,近日,联仕新材料项目一期主体工程已基本完工,预计2023年12月建成投产运营,可年产18.64万吨高纯湿电子化学品;今年8月,总投资7亿元的二期项目已开工建设,将建成高纯电子化学品生产、混配、分装生产线等多条生产线。据悉,湿电子化学品是集成电路关键核心材料。荆州经开区透露,联仕新材料项目由联仕(湖北)新材料有限公司全资投资,其开发出超净高纯电子级氢氟酸、硫酸、磷酸、硝酸、混配类

芯城品牌采购网

7045

据证监会披露,12月14日,华泰联合证券关于杭州华澜微电子股份有限公司(以下简称“华澜微”)首次公开发行股票并上市辅导情况报告。公开资料显示,华澜微成立于2011年,注册资本为15,000万元,该公司立足于自主知识产权的集成电路芯片技术,聚焦计算机总线接口、数据存储和数据安全核心技术,提供安全的存储控制芯片、存储模组、存储系统、行业大数据解决方案。目前,华澜微积累和掌握了PCIe、SAS、SATA

芯城品牌采购网

9345

12月14日,12英寸先进智能传感器及特色工艺晶圆制造产线项目广州增芯在广州增城正式动工。据广州日报报道,广州增芯项目的全称是增芯12英寸先进智能传感器及特色工艺晶圆制造量产线项目,由广州智能传感器产业集团发起,批复投资70亿元人民币,将建设月加工2万片12英寸的晶圆制造量产线。项目于2022年12月开工,计划2024上半年通线,2025年年底满产。MEMS传感器被看作是未来传感器最重要的类型之一

芯城品牌采购网

9871

据东京电视台周三报道,日本芯片企业Rapidus正在考虑在日本北部的北海道建设一家芯片工厂。据报道,Rapidus最早可能会在2月底之前就新厂址做出正式决定。Rapidus表示,最早可能会在2月底正式决定新工厂选址,北海道西南部约有10万人口,千岁市是一个可能的选址地点。日本政府已表示将向Rapidus投资700亿日元,这是一家由索尼集团和NEC公司等科技公司结盟的合资企业。Rapidus本月早些

芯城品牌采购网

10350

据金鼎资本消息,近日,国内碳化硅芯片设计公司深圳市至信微电子有限公司(以下简称“至信微电子”)宣布完成数千万元天使+轮融资,本轮融资由深圳高新投领投,半导体产业基金前海扬子江基金,思脉产融以及老股东金鼎资本、太和资本参投。本轮融资资金将用于加速公司产品研发、团队扩建以及市场拓展等。资料显示,至信微电子成立于2021年,是一家专注于碳化硅功率器件研发的高科技公司,主打产品为碳化硅MOSFET及模组等

芯城品牌采购网

9489

据韩媒《BusinessKorea》12月14日报道,三星拟投资1676亿美元在泰勒市新建9家半导体工厂计划的减税申请已获得了得克萨斯州泰勒市独立学区董事会批准,该批准将为三星节省48亿美元(约合6.26万亿韩元)的税收。2021年11月,三星宣布在得克萨斯州泰勒市建设半导体工厂,预计投资170亿美元,将于2024年下半年投入运营,建成之后采用先进制程工艺制造用于智能手机、5G、高性能计算、人工智

芯城品牌采购网

9956

STM意法半导体新碳化硅功率模块提升电动汽车的性能和续航里程-芯城品牌采购网

2022年12月14日,中国----服务多重电子应用领域、全球排名前列的半导体公司STM意法半导体(STMicroelectronics,简称ST;纽约证券交易所代码:STM)发布了可提高电动汽车性能和续航里程的大功率模块。意法半导体的新碳化硅(SiC)功率模块已用在现代汽车公司的E-GMP电动汽车平台,以及共享该平台的起亚EV6等多款车型。意法半导体新推出的五款基于碳化硅MOSFET的功率模块为

芯城品牌采购网

9701

解析功率MOSFET的驱动电感性负载-芯城品牌采购网

文章介绍了采用表面贴装封装设计LITTLEFOOT®功率MOSFET的过程。它描述了功率MOSFET的驱动电感性负载,公共栅极驱动器以及磁盘驱动器应用以及公共栅极级的驱动电容性负载。VishaySiliconix的LITTLEFOOT功率MOSFET将强大的功率处理能力封装在纤巧的表面贴装封装中。标准概述的8引脚SOIC封装(图1)具有铜引线框架,可最大程度地提高热传递,同时保持与现有表面贴装技术

芯城品牌采购网

9331

决定开关电源寿命的元器件-芯城品牌采购网

1、决定开关电源寿命的元器件①电解电容器电解电容器的封口部位会漏出气化的电解液,这种现象会随着温度的升高而加速,一般认为温度每上升10℃,泄漏速度会提高至2倍。因此可以说电解电容器决定了电源装置的寿命。②风扇球形轴承及轴承的润滑油枯竭、机械装置部件的磨损,会加速风扇的老化。加之近年的DC风扇的驱动回路开始使用电解电容器等部件,所以有必要将回路部件寿命等因素也一并考虑进去。③光电耦合器电流传达率(C

芯城品牌采购网

7560

干簧管工作原理和特性-芯城品牌采购网

平行动作(见图1,图2,图3,图4,图5);与以上的垂直运动相结合(见图6,图7,图8,图9);在我们探讨每一个方法前,首先要清楚各种状态干簧管及磁铁位置间的关系以及他们在开或合状态下的特性。根据干簧管尺寸与磁场强度的不同,开关的开合点也会有相应的改变。首先我们来先考虑磁铁与干簧管(磁簧开关)是平行安放的情况。图1,开关打开与闭合范围是表示为x轴和y轴。这些范围代表磁铁在干簧管附近沿着x轴运动的物

芯城品牌采购网

6639

关于电阻器选购知识1)根据电路特点选用高频电路:分布参数越小越好,应选用金属膜电阻、金属氧化膜电阻等高频电阻。低频电路:绕线电阻、碳膜电阻都适用。退耦电路、滤波电路:对阻值变化没有严格要求,任何类电阻器都适用。功率放大电路、偏置电路、取样电路:电路对稳定性要求比较高,应选温度系数小的电阻器。2)根据电阻器的阻值和误差选用阻值选用:原则是所用电阻器的标称阻值与所需电阻器阻值差值越小越好。误差选用:时

芯城品牌采购网

8470

据凤凰网江苏消息,1月3日,苏州工业园区2023年一季度重大项目集中开工仪式举行。集中开工的49个产业项目包括:SEW-电机智能制造项目、三星半导体存储芯片项目、科阳半导体先进封装项目、联东U谷项目、光格总部大楼项目、天臣国际医疗总部基地项目、赛芯科技总部项目、源卓光电总部项目等。据悉,今年一季度,苏州工业园区开工项目89个,总投资557亿元,年度计划投资201亿元,涵盖新一代信息技术、高端装备制

芯城品牌采购网

9413

基于AT89C51单片机实现串行总线芯片测试实验平台的设计-芯城品牌采购网

应用串行接口芯片扩展系统时,在初步选择了串行接口的芯片后,为了对芯片的资源更好地了解,开发者一般在系统设计前搭建一个简单的硬件电路并编制相应的软件对其测试,待性能验证后再确定最终的设计方案。本文根据这一需要设计了一个用于串行总线芯片测试的实验平台。该平台以PC机为人机接口、采用单片机产生芯片串行通信时序。应用这一平台可以大大简化芯片使用前的测试过程。这一平台也为单片机串行扩展的初学者提供了快捷的学

芯城品牌采购网

8569

EMC开关节点布局注意事项-芯城品牌采购网

本文将介绍最基本的开关节点波形,助您了解如何在PCB路由时确定适当的开关(SW)节点走线尺寸,并了解开关节点中电场(E场)和磁场(H场)产生的近场耦合效应。开关节点波形在开始这部分关键走线的PCB设计之前,首先要了解开关节点上的电流和电压波形。尤其需要在布局之前先查看和了解开关电压、时变电流和开关频率的波形。我们以MPS的降压(buck)变换器MPQ4430为例进行说明(见图1)。降压变换器MPQ

芯城品牌采购网

6959

聊聊汽车级光伏驱动器和分立MOSFET-芯城品牌采购网

工程师已经研究和开发了可以代替机械继电器的固态继电器设备。与机械继电器相比,这些固态继电器具有更高的可靠性,更快的切换时间,没有切换弹跳以及更小的尺寸。但是随着这些优点的出现,带来了使设计人员和用户不愿使用固态继电器的缺点。诸如较高的成本和较高的相对导通电阻的缺点。本文讨论了汽车级光伏驱动器和分立MOSFET,以形成光隔离的固态继电器。借助光伏驱动器,设计人员可以从广泛的汽车级MOSFET产品组合

芯城品牌采购网

10080

将钽电解电容器换成片状多层陶瓷电容器,这样做的理由主要有两个。是可靠性问题。钽电解电容器存在发生短路故障时导致冒烟和起火的可能性。出现冒烟和起火现象时,对于配备钽电解电容器的电子产品而言是致命的。另一个是原材料钽的问题。钽属于稀有金属,其产地在全世界屈指可数。因此,如果产地出现政治动荡等,就会陷入价格暴涨、供给不稳定的局面。只要原材料是稀有金属,钽电解电容器用户就不可能完全避免此类风险。而解决这些

芯城品牌采购网

7094

基于MAX6603信号调理器的PC温度测量系统的步骤-芯城品牌采购网

本应用笔记是基于PC的温度测量系统的参考设计。它使用MAX1396和MAX6603EVKIT,MAXQ2000微控制器和MAX6603信号调理器。该设计提供了一种简便的方法,无需复杂的转换公式即可从MAX6603获取温度读数。提供了原理图,框图和软件。简介该参考设计概述了如何使用MAX1396,MAX6603EVKIT和MAXQ2000评估基于MAX6603信号调理器的基于PC的温度测量系统的步骤

芯城品牌采购网

9167

朗科旗舰级内存ZRGBDDR5再添新规格,频率高达8000MHz,即将量产上市!-芯城品牌采购网

随着Intel和AMD对DDR5的全面支持,以及新平台兼容性的优化提升,市面上DDR5产品如雨后春笋般涌现,更高的频率、更强的性能也开始成为各大厂商角力的焦点。此前,朗科发布了旗舰款Z系列DDR5内存,经过研发团队对DDR5潜力不断地挖掘,在6200MHz的基础上迎来更新,推出了高达8000MHz的规格频率,将于明年初正式上市。除了DDR5-8000MHz频率外,朗科Z系列还新增了DDR5-760

芯城品牌采购网

10987

设计一个自动频率校对反射式红外感应器的资料说明-芯城品牌采购网

有一些网友学不好LM567的锁相环电路(主要是指我自己),主要是总是跑频,下面是一个网友发给我的电路,我感觉非常的好,就发上来分享了。本电路的巧处就在于它用的LM567的内部检测电路作频率发生,使电路和主频自动跟随校对。本电路可以用在自动干手机,无触点开关,距离感应器件上。原图有一些值没有写,我经过试验得出了实用的值,已经标在电路中。电路图:原理图下面是作者自己的话:当D2接收到D1发射出经反射物

芯城品牌采购网

7621

电源开关上的这两个标识究竟代表什么?-芯城品牌采购网

几乎所有的电器、灯具和插座上只要带有电源开关必然会出现“|”和“O”两个符号如果只看符号判断“|”和“O”到底代表什么含义呢?你能分清哪个是电路联通哪个是电路断开吗?很多人认为“O”是通电,“|”是断电因为英语里开是OPEN很多开关也用ON代表“开”进阶版的认为“|”和“O”这两个符号是英文的“I/O”两个字母是input/output的缩写翻译过来就是输入和输出所以,当然“|”是通电,“O”是断

芯城品牌采购网

7420

配套的直流微型驱动和运动控制器-芯城品牌采购网

选择合作伙伴要谨慎。体积小、功率大的直流电机在集成化程度不断提高的系统研发过程中发挥了至关重要的作用。从医疗和实验室技术到航天、机器人、光学和光电学、以及工业机械和设备领域,这类电机在众多应用领域内都是理想的驱动技术。但只有在和减速箱、编码器以及运动控制器等其它部件组合的情况下,它们才能真正构成适合应用需求的驱动或定位系统。为了确保运行可靠性,正确选择配套部件至关重要。所有部件都必须与电机兼容,并

芯城品牌采购网

8625